Модульна зарядна станція

ГАРАНТІЯ зарядної станції - 1 РІК

Звичайна ціна:

96 000 грн

Ви заощаджуєте 16 000 грн!

80 000 грн
Ми прямі
постачальники
Оплата при
отриманні
Повернення
до 14 днів
Залишилось: 15 штук по акції!

ПЕРЕВАГИ ЗАРЯДНОЇ СТАНЦІЇ

≥5000 циклів Термін служби
Мала вага Компактний розмір
та легкість в установці
BMS система Вбудована BMS
система, що забезпечує
безпеку батареї при використанні
Легка установа Захист за допомогою
плавкого запобіжника
Plug and Play
Складена
конструкція
Не хвилюйтесь
за місце на підлозі
Розумний
дисплей
Ви можете візуально
бачити рівень
заряду батареї

ХАРАКТЕРИСТИКИ ЗАРЯДНИХ СТАНЦІЙ AOKEEPOWER

5 кВт інвертор + 5 кВт.год Батарея
20 годин при стандартному навантажені
Пральна машина
Холодильник
Комп'ютер
Телевізор
Освітлення
Роутер
Продуктивність

Хімія та формат клітини: LFP(LiFePO4),16S1P

Номінальна місткість: 100Ah*3

Корисна енергія акумулятора: 5,12 кВт*год*3

Номінальна напруга: 51.2V

Номінальний вихідний струм: 100A

Струм захисту: BMS 120A, 1с

Напруга заряду: 57.6V

Зарядний струм: 30A

Максимальний струм заряду: 50A

Піковий струм заряду: 100A

Режим заряджання: постійний
струм/постійна напруга

Напруга відключення розряду: 44V

Струм розряду: 50A

Максимальний струм розряду: 100A

Масштабованість: Максимум 3 батареї
(5+5+5) одночасно

Інвертор живлення

Номінальна вихідна потужність: 5,12 кВт*год*3

Номінальна вихідна напруга: 230В
змінного струму

Спілкування

Дисплей: Індикатор стану SOC,
світлодіодний індикатор

Корисна енергія акумулятора: 5,12 кВт*год*3

Спілкування: CAN/RS485/RS232

Загальні характеристики

Розмір (Д*Ш*Г): 600X380X838 mm

Вага: 219.2KG

Температура заряду: 'Від 0 до 55℃ (32 до 131℉)

Робоча температура: '-20 до 75℃ (-4 до 167℉)

Температура зберігання: '-20 до 75℃ (-4 до167℉)

Вологість довкілля: 0-95%RH (без конденсату)

Цикл життя: ≥5000 Cycles@80%DOD/25℃/0.5C
60%EOL

Масштабованість: Максимум 3 батареї (5+5+5)
одночасно

Замовити

заміну батареї

Icon
Icon
Icon

Після відправки заявки зв’яжемось з вами найближчим часом

Від 5 кВт\год до 15 кВт\год батареї, які
легко приєднуються до інвертора

Безпека: безпечно для встановлення в приміщенні

Універсальність: підходить для будь-якої техніки

Портативність: легко пересувається

Гарантія: 1 рік

Однофазне підключення

Інтелектуальний дисплей: кожен модуль
налаштований з незалежним
інтелектуальним керуванням

Резервність: у разі відключення електрики
або надзвичайної ситуації побутові системи
накопичення енергії можуть служити як резервні
джерела живлення для забезпечення енергією

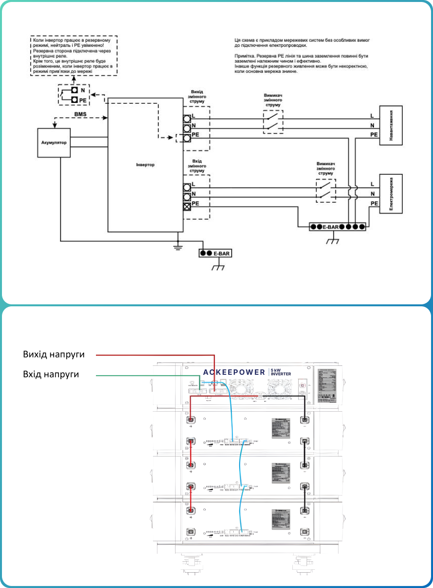
СПОСОБИ

ПІДКЛЮЧЕННЯ

Інвертор підключається в загальну електромережу
та автоматично перемикає джерело струму у
випадку зникнення напруги в загальній мережі.

Для наших покупців надаємо безкоштовну
консультацію
по підключеню.

ВІДГУКИ

98% покупців рекомендують цей товар

Андрій Коваленко

Придбав 10 кВт станцію для дому. Моя найкраща покупка в цьому році. Завжди є світло, інтернет, працює холодильник, електроплита до 2х годин на день, але цього вистачає, гаджети висять в розетках. Рекомендую!

Дмитро Поліщук

Працює безшумно та стабільно, не заважає сусідам. Потужності достатньо для повноцінної роботи всього обладнання майстерні. Навіть при постійному навантаженні довго тримає заряд.

Олександр Гончаренко

На мою думку, абсолютний топ серед аналогів. Ємнісна, тиха, мобільна, компактна станція. При економному використанні сміливо вистачає на кілька днів автономної роботи.

Василь Мельник

Об’єм акумулятора виправдовує вартість. Забезпечує електроенергією будинок 80 кв. м та безперервну роботу побутової техніки. Радий, що обрав саме цю модель.

Павло Кучер

Станція ідеально підійшла для забезпечення повноцінної роботи салону. Заряджається трохи довше електрокара та гарантує робочий день без сюрпризів. А головне - тиха.

Артем Білоус

Найкращий у своєму класі апарат за співвідношенням ефективність-ціна. Ємність 10 кВт*Г дає кілька днів автономного забезпечення при середньому навантаженні.

Роман Савченко

Надійна, добре продумана система для автономного живлення. Жодних стрибків напруги та шуму. Важить немало, але завдяки ручкам та коліщатам переміщається з легкістю валізи.

Богдан Жуков

Установка проста у використанні, потужна, надійна — перебрав кілька моделей, але вибір впав на Aokeepower AK-EH04. Обирав за ємністю, ціною та конструкцією. Не прогадав.

Іван Слободян

Підходить для приміщень та для зовнішніх робіт, корпус міцний, стійкий до пилу та вологи. Працює тихо та стабільно. Швидка зарядка порадувала.

Ігор Романов

Апарат максимально близький до бездоганності. Всі технічні характеристики відповідають. Ємність, вихідна потужність та час зарядки — це монстр! При цьому поміщається в багажник авто.

Павло Іщенко

Все працює без перебоїв. Легко налаштовуеться. Крім автономної роботи, заощаджую на вартості електроенергії. Заряджаю вночі, використовую вдень.

оформити

замовлення

Icon
Icon

Оплата після
отримання

Ви сплачуєте за замовлення лише після того, як воно буде доставлено на вашу адресу.

14 днів гарантія
повернення
коштів

Залишилось: 15 штук по акції!

Додаткові

послуги

Нашим клієнтам надаємо послугу
підключення (монтажу) обладнання.
Залиште заявку

Виїзд майстра безкоштовний

Icon
Icon

Після відправки заявки зв’яжемось
з вами найближчим часом